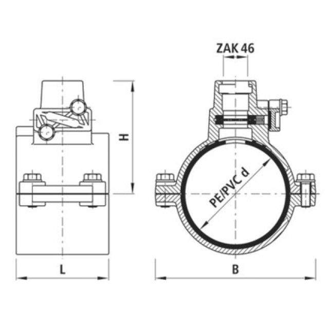
HAWLE, pince de verrouillage à taper HAKU/ZAK 5211

Eau PN16
ZAK 46
ø d'alésage max. 35 mm
Fabricant Hawle
Trouvé 10
N° d'article
N° d'article
Fabricant
PN
mm
H
mm
L
mm
B
mm
10 de 10
H
L
B