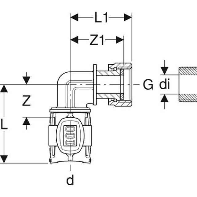
Geberit FlowFit coude intermédiaire 90° avec écrou de serrage

Caractéristiques
- Indicateur de pressage
- Non pressé non étanche
- Sans plomb
- Joint torique en EPDM
- Raccord à sertir avec capuchon de protection transparent
- Joint plat en Centellen® R WS 3825
Matériau : bronze au silicium sans plomb (CuZn21Si3P)
Fabricant Geberit Système Flowfit