HAWLE, Bride de démontage verrouillée, PN 10/16, 7160

Application
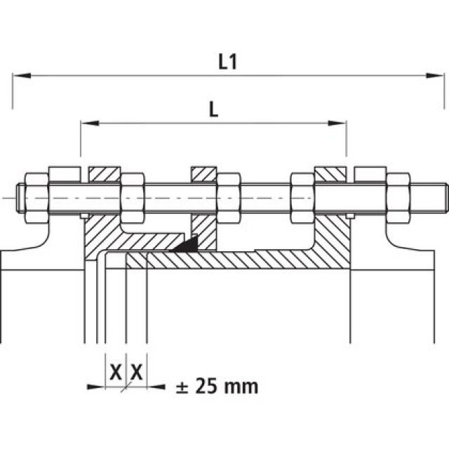
Pour compenser des différences de longueur

Caractéristiques
Corps en fonte ductile/acier avec revêtement en poudre époxy (couleur RAL 5015)
Les tiges filetées et les écrous sont disponibles en version standard galvanisée ou en V2A (tiges filetées) et V4A avec revêtement spécial (écrous).
Le verrouillage est assuré par les tiges filetées avec écrous
Fabricant Hawle
Trouvé 18
N° d'article
N° d'article
Fabricant
DN
mm
PN
Bar
L
mm
L1
mm
X
mm
18 de 18
DN
PN
L
L1