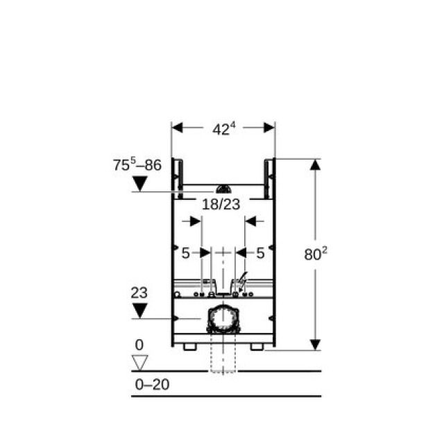
Geberit GIS WC-Element mit AP-Kasten

für Wand-WC
mit Aufputzspülkasten
aufgesetzt, 95 cm
Fabricant Geberit Système GIS
Trouvé 1
1 de 1