Duofix Elément pour lavabo, 112 cm, robinetterie monobloc

CHAMP D'APPLICATION
• Pour les parois Geberit Duofix
• Pour les parois à montants métalliques ou en bois
• Pour un montage dans des parois en applique à hauteur de local ou à hauteur partielle
• Pour un montage dans des parois de séparation à hauteur du local
• Pour des hauteurs de chape de 0–25 cm
• Pour le montage de lavabos
• Pour robinetteries monobloc
• Ne convient pas pour les prises d'eau avec robinet d'arrêt encastré JRG LegioStop® et té de raccordement
• Ne convient pas pour les unités pour compteur d'eau avec robinet d'arrêt encastré JRG LegioStop® et té de raccordement

CARACTÉRISTIQUES
• Série 2025
• Cadre autoportant statique, protégé contre la corrosion par un thermolaquage
• Plaque pour fixation latérale au-dessus de l’élément sur des profilés métalliques ou en bois ou sur des montants à hauteur du local Geberit Duofix
• Position de fixation alternative pour les fixations murales
• Plaques de pied pouvant être montées sans outils dans le rail pour système Geberit Duofix, sans composants supplémentaires
• Plaques de pied rotatives adaptées à un montage dans des profilés en U UW 50 et UW 75
• Pieds galvanisés et protégés contre la corrosion, antidérapants
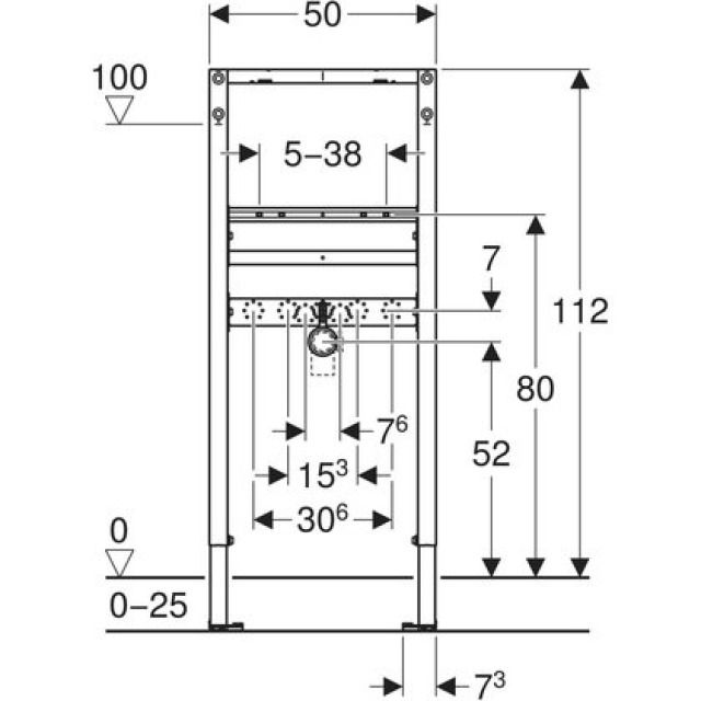
• Distance entre les fixations du lavabo 5–38 cm
• Tiges filetées réglables en profondeur pour une distance entre les fixations de 18 ou 28 cm
• Fixation pour coude de raccordement réglable en hauteur et isolée contre le bruit
• Traverse pour robinetterie réglable en hauteur et en profondeur

CARACTÉRISTIQUES TECHNIQUES
Matériau Acier

ÉTENDUE DE LA LIVRAISON
• 2 équerres de raccordement Rp 1/2" / R 1/2", compatible avec MF
• 2 bases d'isolation phonique
• 2 gaines isolantes
• Matériel de fixation

INFO
• Certifié ecobau
Fabricant Geberit Système Duofix
Trouvé 1
1 de 1