GF Uponor S-Press Té egal

Exécution:
• Corps de raccord en PPSU
• Douille de sertissage en acier inoxydable
• Assemblage par sertissage
Fabricant GF Système S-Press
4 de 4
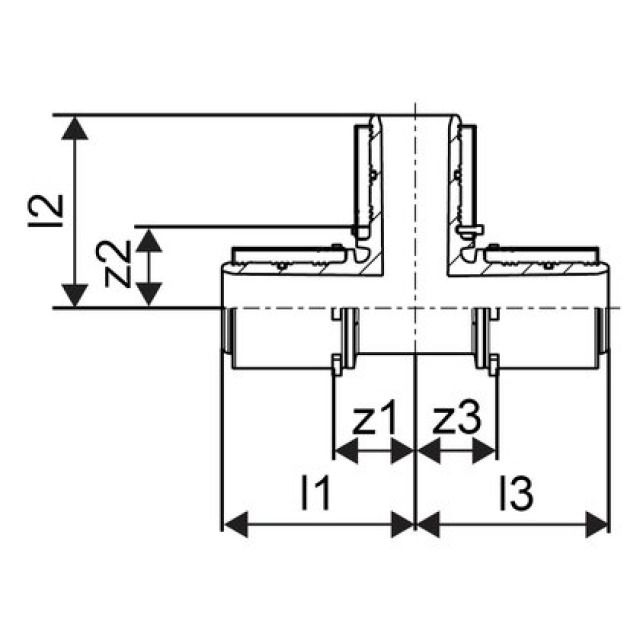
d
l1
l2
z1
z2
l3