GF Uponor S-Press Té réduit

Exécution:
• Corps de raccord en PPSU
• Douille de sertissage en acier inoxydable
• Assemblage par sertissage
Fabricant GF Système S-Press
Trouvé 8
N° d'article
N° d'article
Fabricant
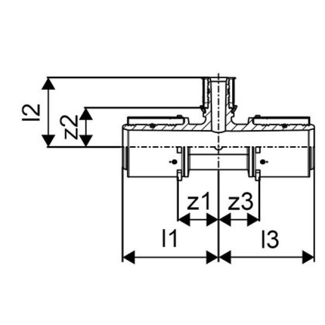
d
mm
d1
mm
d2
mm
l1
mm
l2
mm
z1
mm
z2
mm
z3
mm
l3
mm
8 de 8
d
d1
d2
l1
l2
z1
z2
z3
l3