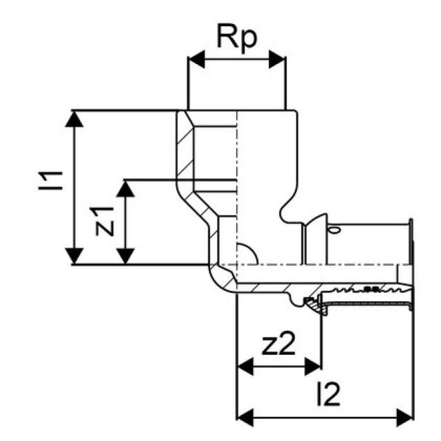
GF Uponor S-Press PLUS Coude 90° avec filetage femelle

Exécution:
• Corps de raccord en laiton, étamé
• Douille de sertissage en acier inoxydable
• Raccord filetage femelle, raccord à sertir
Fabricant GF Système S-Press