GF Uponor RS Adaptateur à bride

Exécution:
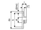
• Matériau laiton, étamé
• Convient à toutes les pièces de base RS2 ou RS3
• Bride PN 6 et PN 16 selon EN 1092-3
• Cercle de trous 4/8 trous
Fabricant GF Système S-Press