Élément Geberit Duofix pour lavabo, 82–98 cm, robinetterie monobloc, avec deux unités pour compteur d’eau, robinet d’arrêt encastré JRG LegioStop® et té de raccordement

CHAMP D'APPLICATION
• Pour les parois Geberit Duofix
• Pour les parois à montants métalliques ou en bois
• Pour un montage dans des parois en applique à hauteur partielle
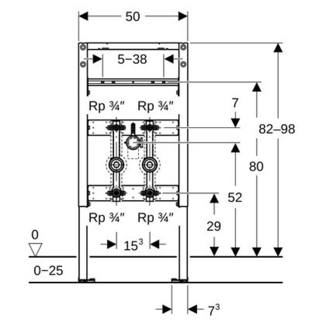
• Pour des hauteurs de chape de 0–25 cm
• Pour le montage de lavabos
• Pour robinetteries monobloc
• Pour le montage de capsules de mesure avec filetage KOAX G 2"

CARACTÉRISTIQUES
• Série 2025
• Cadre autoportant statique, protégé contre la corrosion par un thermolaquage
• Position de fixation alternative pour les fixations murales
• Plaques de pied pouvant être montées sans outils dans le rail pour système Geberit Duofix, sans composants supplémentaires
• Plaques de pied rotatives adaptées à un montage dans des profilés en U UW 50 et UW 75
• Pieds galvanisés et protégés contre la corrosion, antidérapants
• Distance entre les fixations du lavabo 5–38 cm
• Tiges filetées réglables en profondeur pour une distance entre les fixations de 18 ou 28 cm
• Fixation pour coude de raccordement réglable en hauteur et isolée contre le bruit
• Traverse pour robinetterie réglable en hauteur et en profondeur
• Unités pour compteur d'eau montées avec isolation contre le bruit
• Avec unité pour compteur d'eau en bronze, Rp 3/4"
• Avec té de raccordement Rp 1/2"
• Avec robinet d'arrêt R 3/4"
• Partie supérieure échangeable
• Isolation en EPP
• Bouchon de protection pour essai de pression avec de l’eau froide jusqu'à 15 bar / 1500 kPa maximum

ÉTENDUE DE LA LIVRAISON
• 2 rosaces de commande
• Marquages de couleur (rouge, bleu)
• Matériel de fixation
Fabricant Geberit Système Duofix
Trouvé 1
1 de 1