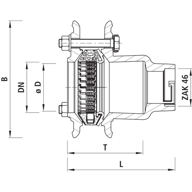
Adaptateur HAWLE ZAK - Synoflex, 6162

Fabricant Hawle
2 de 2
DN
D
L
B
t