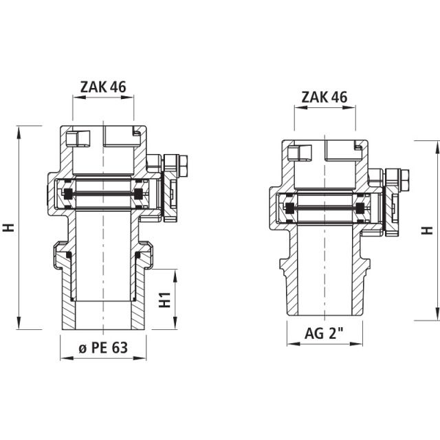
Barrière de perçage HAWLE ZAK, 3721

Fabricant Hawle
2 de 2
type
Dimension
H