MPF-G SUPERSIZE T ABGANG IG
34266 76 - 3/4" - 76 MM
Veuillez vous connecter pour voir le prix.
Disp. au retrait à Martigny: 0 Pce
N° d'article129363N° d'article du fabricant34266N° NPK264.171
1 Pce = 1.02 kg
Description de la
Particularités
• Indicateur de sertissage
• Non serti non étanche
• Marqué en jaune
• Joint d‘étanchéité en HNBR jaune
• Manchon à sertir avec bouchon de protection jaune
Caractéristiques techniques
Matériau Acier CrNiMo 1.4401 (EN 10088)
• Indicateur de sertissage
• Non serti non étanche
• Marqué en jaune
• Joint d‘étanchéité en HNBR jaune
• Manchon à sertir avec bouchon de protection jaune
Caractéristiques techniques
Matériau Acier CrNiMo 1.4401 (EN 10088)
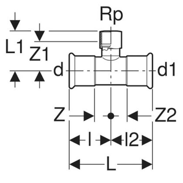
Spécifications
- Fabricant
- Geberit
- Système
- Mapress
- DN
- 65-20
- dØ
- 76.1 mm
- L
- 23 cm
- l
- 11.5 cm
- L1
- 7.9 cm
- Rp
- 3/4 pouce
- d1Ø
- 76.1 mm
- l2
- 11.5 cm
- Z
- 6.2 cm
- Z1
- 6.4 cm
- Z2
- 6.2 cm