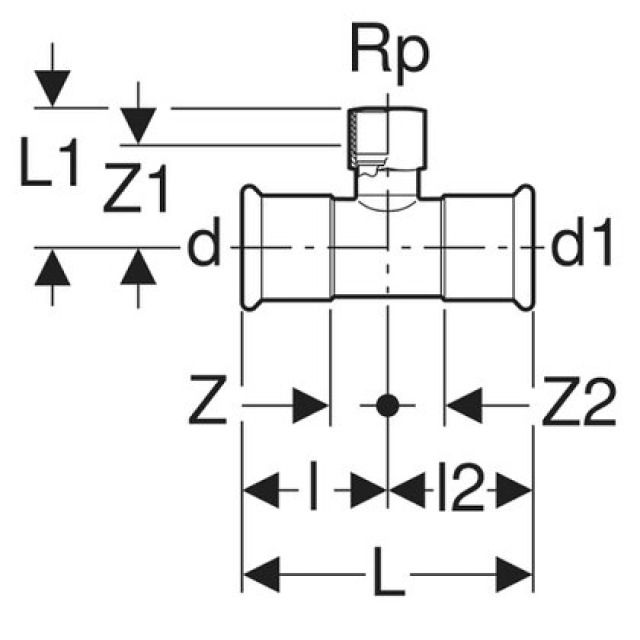
Geberit Mapress-gaz, Super Size, Té avec filetage intérieur

Particularités
• Indicateur de sertissage
• Non serti non étanche
• Marqué en jaune
• Joint d‘étanchéité en HNBR jaune
• Manchon à sertir avec bouchon de protection jaune
Caractéristiques techniques
Matériau Acier CrNiMo 1.4401 (EN 10088)
Fabricant Geberit Système Mapress
Trouvé 6
6 de 6
DN
L
l
L1
Rp
d1Ø
l2
Z
Z1
Z2