GF-PVC MANCHON D 50
NO. 721.910.110

Veuillez vous connecter pour voir le prix.
N° d'article133266N° d'article du fabricant721910110
1 Pce = 0.064 kg
1 PAQ = 10 Pce

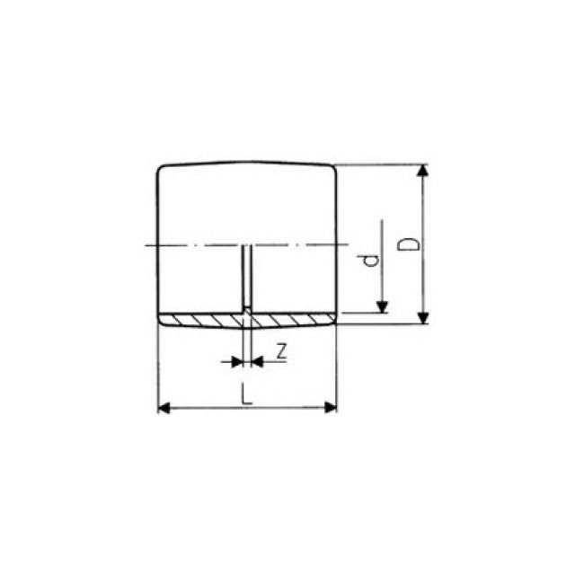
Spécifications

Fabricant
GF
PN
16
D
58 mm
d
50 mm
L
65 mm
z
3 mm