+GF+ PVC-U, Manchon égal, PN16, 21 91 01

Fabricant GF
Trouvé 13
N° d'article
N° d'article
Fabricant
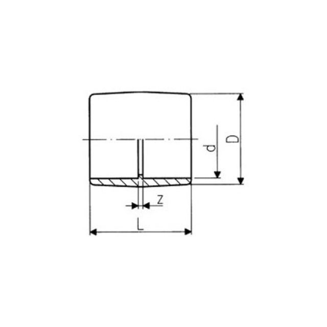
PN
D
mm
d
mm
L
mm
z
mm
13 de 13
D
d
L
z