GEBERIT PE T-CULOTTE 180° SIPH
363.463 A/ MANCHON RACC 56 MM

Veuillez vous connecter pour voir le prix.
N° d'article138381N° d'article du fabricant363.463.16.1N° NPK333.174
1 Pce = 0.139 kg

Description de la

Champ d‘application
• Pour lavabos, urinoirs et bidets
• Pour manchettes de raccordement
Etendue de la livraison
• 2 capes de protection

Spécifications

Fabricant
Geberit
Système
PE
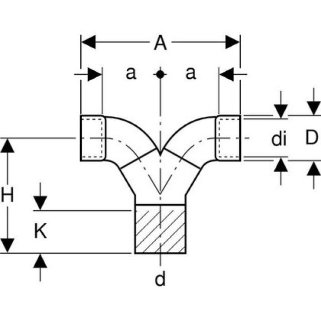
56 mm
D
5,2 cm
H
12 cm
A
17 cm
a
6 cm
d1Ø
46 mm
K
4 cm