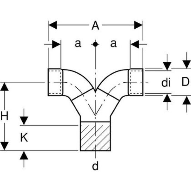
Geberit PE-HD, Té-culotte 180° avec manchons de raccordement pour siphon

Champ d‘application
• Pour lavabos, urinoirs et bidets
• Pour manchettes de raccordement
Etendue de la livraison
• 2 capes de protection
Fabricant Geberit Système PE
Trouvé 1
1 de 1