WAVIN BOGEN-ABZWEIGER 88.5°
NR.922.280 110 / 110 MM

Veuillez vous connecter pour voir le prix.
N° d'article139107N° NPK314.311
1 Pce = 0.7 kg
1 PAQ = 10 Pce

Spécifications

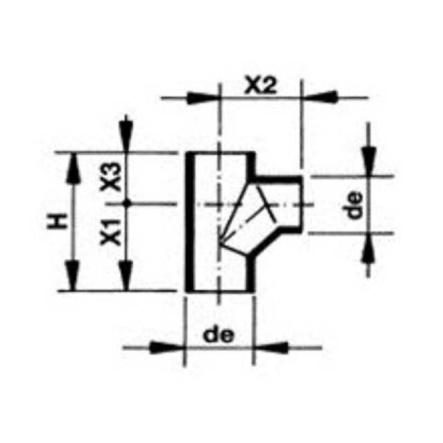
H
270 mm
X1
170 mm
X2
140 mm
de1
110 mm
de2
110 mm