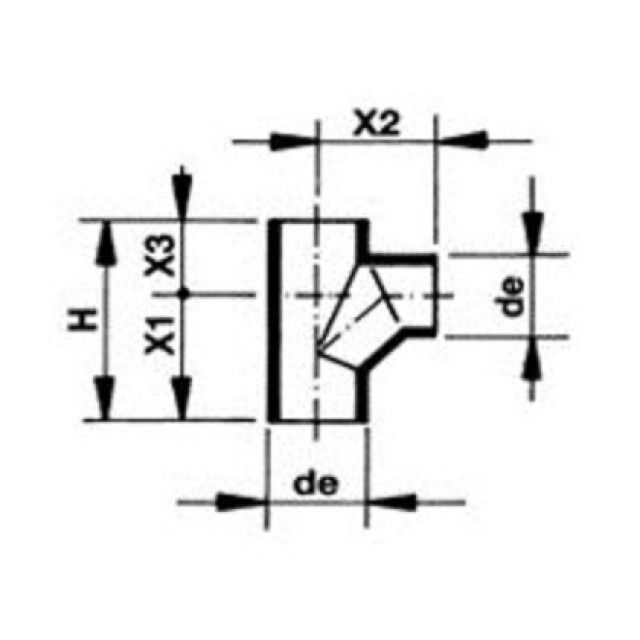
WAVIN, Embranchement de sol 88.5°

Trouvé 1
1 de 1