PFIT T-STUECK 90° REDUZIERT
651.314 20-16-16 MM

Veuillez vous connecter pour voir le prix.
N° d'article165597N° d'article du fabricant651.314.00.1N° NPK331.632
1 Pce = 0.09 kg

Description de la

Particularités
• Indicateur d‘emboîtement vert
• Joint torique en EPDM
• Raccord à emboîter avec cape de protection transparente

Spécifications

Fabricant
Geberit
Système
Pushfit
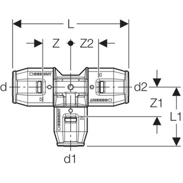
20 mm
d2
16 mm
L
9,9 cm
L1
5,2 cm
d1Ø
16 mm
Z
2,5 cm
Z1
2,6 cm
Z2
2,4 cm