Geberit PushFit Té réduit

Particularités
• Indicateur d‘emboîtement vert
• Joint torique en EPDM
• Raccord à emboîter avec cape de protection transparente
Fabricant Geberit Système Pushfit
Trouvé 7
7 de 7
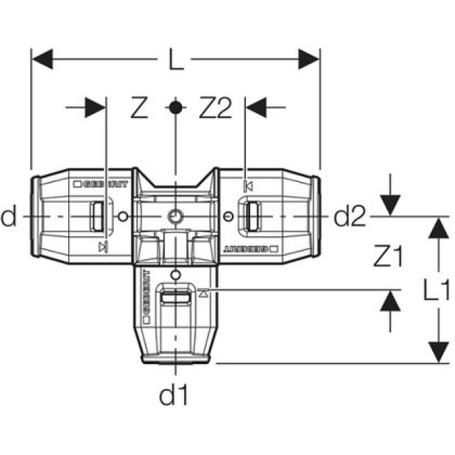
d2
L
L1
d1Ø
Z
Z1
Z2