N° d'article143874N° d'article du fabricant9100000000Poids3.5 kg
RACC DE BRANCHEMENT BLS 5412
AVEC SORTIE ZAK DN 150
Veuillez vous connecter pour voir le prix.
Disp. au retrait à Martigny: 0 Pce
N° d'article166591N° d'article du fabricant5412150046
1 Pce = 26.3 kg
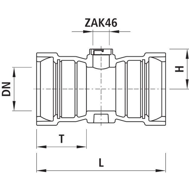
Description de la
PN 16, ZAK46
Spécifications
- Fabricant
- Hawle
- DN
- 150
- Longueur
- 400 mm
- H
- 131 mm
- t
- 150 mm