HAWLE, Raccord de branchement BLS avec sortie ZAK, 5412

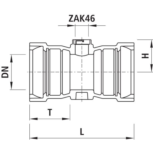
PN 16, ZAK46
Fabricant Hawle
4 de 4
DN
Longueur
H
t