COLLIERS ACIER-PE 83- 75
NO 116827
Veuillez vous connecter pour voir le prix.
Disp. au retrait à Martigny: 9 Pce
N° d'article172893N° d'article du fabricant116827
1 Pce = 0.51 kg
Description de la
Raccordement de tuyaux et raccords, coulée / différents matériaux. Enveloppe de bride en acier inoxydable. Le manchon d'étanchéité est utilisé pour compenser les différences de diamètre extérieur des tuyaux. Il absorbe ou isole les chocs et/ou les vibrations. A mi-hauteur, il y a une bague de butée de 4 mm d'épaisseur. Cela signifie qu'il n'est pas nécessaire de marquer la profondeur d'insertion aux deux extrémités du tube. L'anneau d'arrêt sert également d'isolation acoustique et empêche la transmission des bruits de structure.
- Raccordement de tubes et raccords, acier / différents matériaux.
- Enveloppe de bride en acier inoxydable.
- Acier sur PE avec bague d'appui
- Plage d'utilisation jusqu'à 80°C
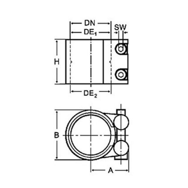
Spécifications
- Fabricant
- VonRoll
- DN
- 80
- H
- 65 mm
- A
- 62 mm
- B
- 100 mm
- DE1
- 83 mm
- DE2
- 75 mm
- SW
- 5 mm