Bride de transition vonRoll FIX

Raccordement de tuyaux et raccords, coulée / différents matériaux. Enveloppe de bride en acier inoxydable. Le manchon d'étanchéité est utilisé pour compenser les différences de diamètre extérieur des tuyaux. Il absorbe ou isole les chocs et/ou les vibrations. A mi-hauteur, il y a une bague de butée de 4 mm d'épaisseur. Cela signifie qu'il n'est pas nécessaire de marquer la profondeur d'insertion aux deux extrémités du tube. L'anneau d'arrêt sert également d'isolation acoustique et empêche la transmission des bruits de structure.

  • Raccordement de tubes et raccords, acier / différents matériaux.

  • Enveloppe de bride en acier inoxydable.

  • Acier sur PE avec bague d'appui

  • Plage d'utilisation jusqu'à 80°C
Fabricant VonRoll
Trouvé 13
N° d'article
N° d'article
Fabricant
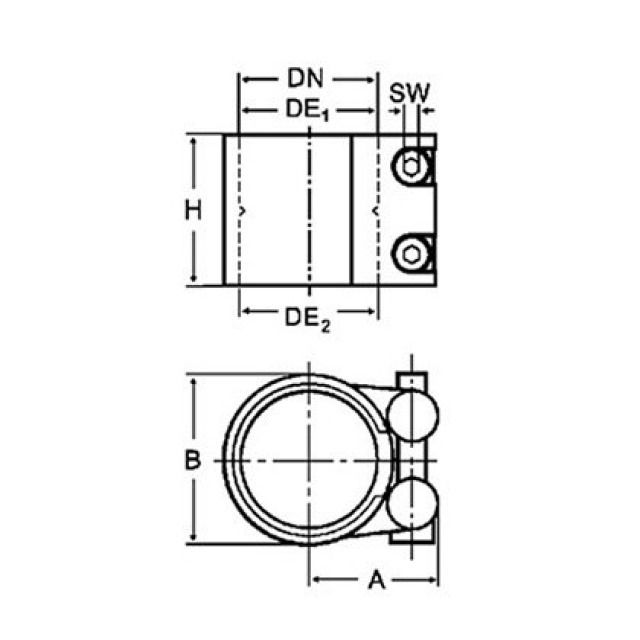
DN
H
mm
A
mm
B
mm
DE1
mm
DE2
mm
SW
mm
Remarque
13 de 13
DN
H
A
B
DE1
DE2
SW