T-STÜCKE RED NAHTLOS, KÄLTEBS
273.0 X 219.1 X 273.0 MM
P 235GH / EN 10253-2-A
SA2.5+2K / 3X60µ KÄLTEBES 180µ
3 X 2-KOMPONENTEN EPOXIDHARZ-
BESCHICHTUNG

Veuillez vous connecter pour voir le prix.
N° d'article287918
1 Pce = 37.5 kg

Description de la

P 235GH / EN 10253-2-A

Spécifications

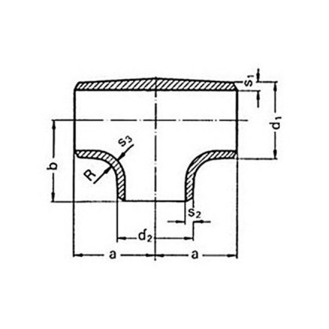
d1
273.0 mm
d2
219.1 mm
a
216 mm
b
200 mm
s1
6.3 mm
s2
6.3 mm