Schweiss-T-Stück, nahtlos, reduziert, kältebeschichtet 3 x 60µm = 180 µm

P 235GH / EN 10253-2-A
Trouvé 15
N° d'article
N° d'article
Fabricant
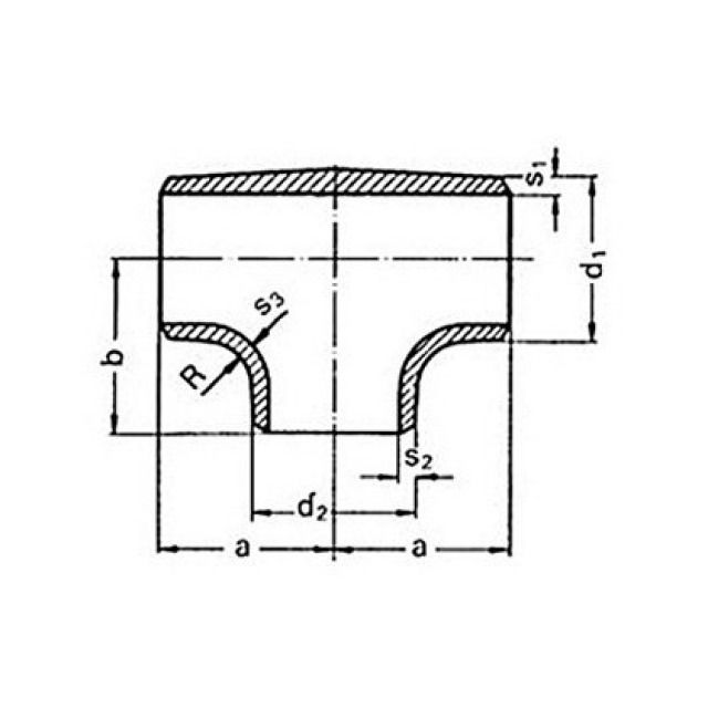
d1
mm
d2
mm
a
mm
b
mm
s1
mm
s2
mm
15 de 15
d1
d2
a
b
s1
s2