VORSCHWEISSFLANSCH, KÄLTEBESCH
PN16 - DN 350 / 355.6 MM
P250GH/C22.8/EN 1092-1 TYP11
SA2.5+2K / 3X60µ KÄLTEBES 180µ
3 X 2-KOMPONENTEN EPOXIDHARZ-
BESCHICHTUNG

Veuillez vous connecter pour voir le prix.
N° d'article312187
1 Pce = 32.8 kg

Description de la

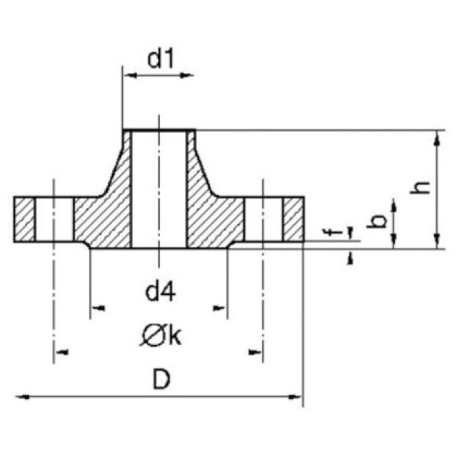
Bride à collerette PN16 selon EN 1092-1, type 11, qualité P250GH / C22.8

Spécifications

DN
350 mm
Ø
355.6 mm
D
520 mm
h
82 mm
k
470 mm
Vis
16 x M24 mm