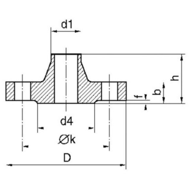
Bride de pré-soudage PN16, revêtue à froid 2K, 3 x 60μm = 180μm

Bride à collerette PN16 selon EN 1092-1, type 11, qualité P250GH / C22.8
Trouvé 12
N° d'article
N° d'article
Fabricant
DN
mm
Ø
mm
D
mm
h
mm
k
mm
Vis
mm
12 de 12
DN
Ø
D
h
k
Vis