PROFITEC PRESSINOX - FIG. 16
TÉ ÉGAL 168.3 MM
Veuillez vous connecter pour voir le prix.
Disp. au retrait à Martigny: 0 Pce
N° d'article314411
1 Pce = 3.1 kg
Description de la
Matériau : Acier Cr-Ni-Mo 1.4404 / AISI 316L
Joint torique en EPDM (-20°C à +110°C).Le matériau en acier inoxydable 1.4404 contient au moins 2,3% de molybdène.
Grâce à sa teneur réduite en carbone par rapport au matériau 1.4401, le matériau 1.4404 présente une meilleure résistance à la corrosion.
Joint torique en EPDM (-20°C à +110°C).Le matériau en acier inoxydable 1.4404 contient au moins 2,3% de molybdène.
Grâce à sa teneur réduite en carbone par rapport au matériau 1.4401, le matériau 1.4404 présente une meilleure résistance à la corrosion.
Spécifications
- Fabricant
- Profitec
- Système
- Inoxpress/Mapress
- Dimension
- 168.3 mm
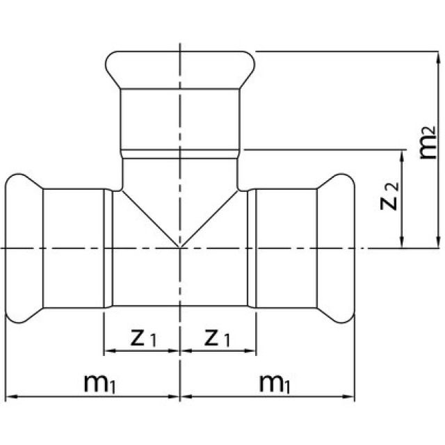
- z1
- 139 mm
- z2
- 118 mm
- m1
- 257 mm
- m2
- 235 mm