PROFITEC PRESSINOX TÉ ÉGAL, Fig. 16

Matériau : Acier Cr-Ni-Mo 1.4404 / AISI 316L
Joint torique en EPDM (-20°C à +110°C).Le matériau en acier inoxydable 1.4404 contient au moins 2,3% de molybdène.
Grâce à sa teneur réduite en carbone par rapport au matériau 1.4401, le matériau 1.4404 présente une meilleure résistance à la corrosion.
Fabricant Profitec Système Inoxpress/Mapress
5 de 5
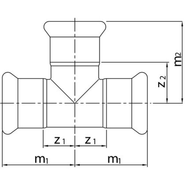
Dimension
z1
z2
m1
m2